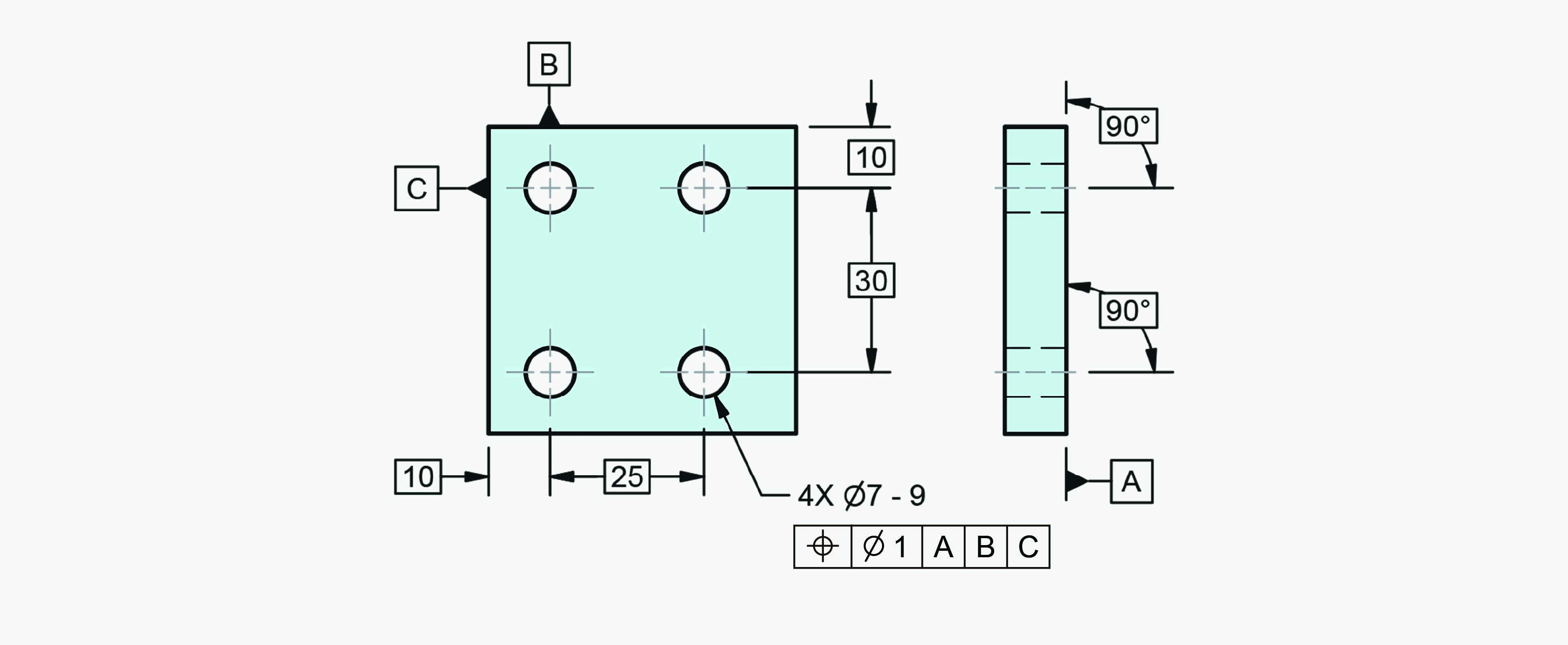
GD&T로 통제할 때 보통은 다음 그림과 같이 모든 자유도가 구속된 상태로 정의하고 통제한다.

하지만 GD&T는 피쳐의 역할에 따라 공차영역의 자유도까지 통제할 수 있다. 피쳐의 역할에 따라 모든 자유도를 제한해야 하는 경우도 있지만 일부 자유도만 제한하여도 충분한 경우도 있다. 자유도를 일부만 제한하였을 때 부품이 어떻게 제작될 수 있는지 데이텀 피쳐 A, B, C를 참조할 수 있는 7가지 경우를 각각 살펴보자.
1) DRF_A




2) DRF_AB




3) DRF_AC




4) DRF_ABC




5) DRF_B




6) DRF_C




7) DRF_BC




'기하공차 초급' 카테고리의 다른 글
| 초급 #19 DRF는 단순한 좌표계가 아니다. (0) | 2026.02.25 |
|---|---|
| 초급 #18 기하공차를 체계적으로 해석하는 4단계 해석법 (0) | 2025.11.05 |
| 초급 #16 Rule #1의 실제 적용과 검사방법 (0) | 2025.09.03 |
| 초급 #15 도면은 기능요구사항을 설명할 수 있어야 한다. (0) | 2025.08.21 |
| 초급 #14 6자유도란? (13) | 2025.08.11 |

