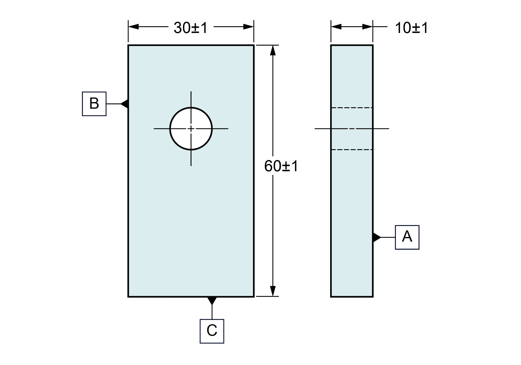
다음과 같은 파트를 기하공차로 규제해보자. 너비 30, 높이 60, 두께 10인 평판에 사이즈가 ∅10인 홀이 있는 파트가 있다. 이 파트를 기하공차로 규제해보자.

① 데이텀 피쳐를 선정한다.
피쳐의 기능을 고려하여 데이텀 피쳐를 선정한다. 선정된 데이텀 피쳐는 데이텀 피쳐 심볼을 사용하여 식별해야 한다. 그림은 뒷면을 데이텀 피쳐 A로, 왼쪽면을 데이텀 피쳐 B로, 바닥면을 데이텀 피쳐 C로 식별하고 있다.

파트 기능이 명시되지 않았지만, 선정된 데이텀 피쳐에 의해 피쳐의 기능을 짐작해 볼 수 있다. 파트는 상대파트와 가장 먼저 뒷면이 접촉하고, 다음으로 왼쪽면, 그 다음으로 바닥면이 접촉한 상태에서 홀을 사용할 것이다. 피쳐는 데이텀을 기준으로 자세와 위치가 통제되기 때문에, 이러한 데이텀의 선정은 뒷면에 대해 수직하고, 왼쪽면으로부터의 거리, 바닥면으로부터의 거리가 중요하다는 것을 나타낸다. 다른 데이텀 피쳐에 비해 파트의 뒷면은 영역이 넓기 때문에 파트를 안정적으로 셋업할 수 있어 데이텀 피쳐를 적절하게 선정한 것이다.
② 데이텀 피쳐를 통제한다.

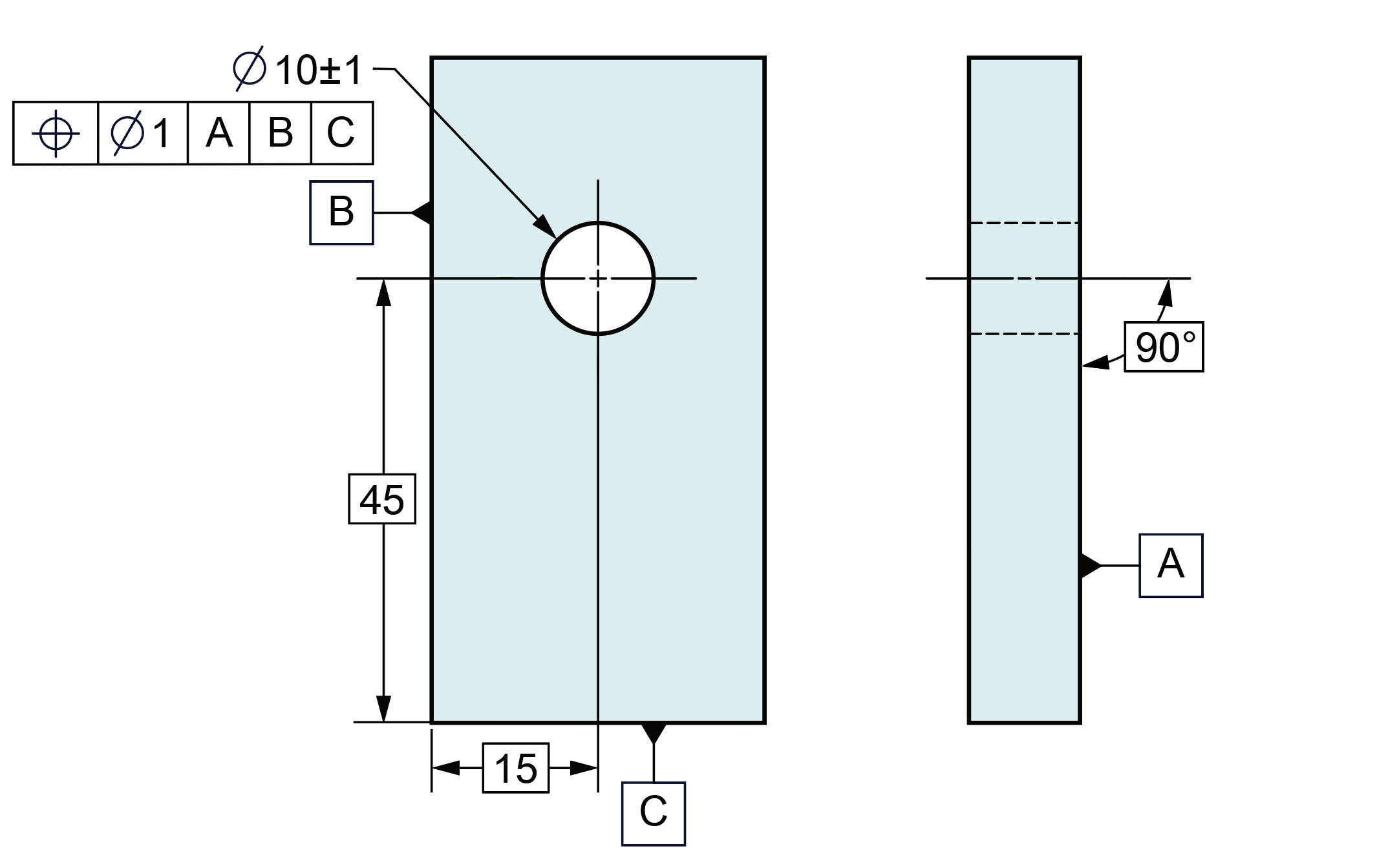
피쳐는 데이텀을 기준으로 자세와 위치가 통제되기 때문에 데이텀 피쳐의 품질은 홀 피쳐의 품질에 영향을 미친다. 따라서 데이텀 피쳐를 통제해야 한다. 그림은 데이텀 피쳐 A는 평면공차 0.1으로 규제한다. 따라서 데이텀 피쳐 A의 모양편차는 0.1을 넘지 않을 것이다. 데이텀 피쳐 B는 데이텀 피쳐 A에 대해 수직공차 0.3로 규제한다. 데이텀 피쳐 B를 수직공차 0.3으로 규제하면, 데이텀 피쳐 B의 공차영역은 뒷면에 수직하면서 0.3만큼 떨어진 평행평면이 생긴다. 수직공차는 해당서피스의 자세와 함께 모양도 규제한다. 데이텀 피쳐 C는 데이텀 피쳐 A와 데이텀 피쳐 B에 대해 수직공차 0.30.5 크기의 공차영역이 데이텀 A와 데이텀 B에 수직한 자세로 생긴다.
③ 피쳐를 정의한다.

이 파트를 구성하는 피쳐는 모두 사이즈 피쳐이다. 사이즈 피쳐는 사이즈와 위치를 함께 정의해야 한다. 홀, 높이, 폭, 두께이다. 홀, 높이, 폭은위치를 정의할 필요가 없다. 왜냐하면 각각의 치수가 데이텀 피쳐의 한쪽에서 시작하기 때문이다. 결과적으로, 3개의 치수는 간단하게 ±공차가 정의된 치수만 필요하다.
홀은 데이텀 B와 C에 대해서 베이직 치수에 의해 정의된 위치에 위치한다. 홀의 사이즈는 9에서 11의 범위 안에 있어야 한다고 정하고 있다. 공차영역의 위치와 자세는 3개의 데이텀을 A, B, C 순서로 정해진다. 이 순서를 바꾸는 것은 홀에 대한 공차영역의 위치와 자세를 바꾸는 것과 같다. 홀의 공차영역은 홀의 중심축에 대한 위치를 규제할 뿐만 아니라 자세도 규제한다. 동일한 공차영역이 위치와 자세에 동시에 적용된 것이 아니라면 자세규제를 분리하여 명시할 수 있다.

⑤ 필요하다면, 자세와 모양을 통제하기 위해 기하공차를 정의한다.
추가적인 규제가 명시되어 있지 않다면, 더 세부적인 규제는 요구되지 않는 것이다. 이제 명시한 요구사항을 기준으로 파트가 얼마나 편차가 있게 제작되는지 스펙은 만족하는지를 검토하여야 한다. 예를 들면 전면이 얼마나 평평하지 않은지 고려해보자. 평판 두께는 사이즈 피쳐이기 때문에 전면은 Rule #1에 의해 통제된다. 즉, 사이즈 공차에 의해 모양을 통제하는 엔밸로프가 생성된다. 사이즈 공차에 의해 두께는 9와 11 사이에서 있어야 한다. 뒷면은 모양편차 0.1이 있고, 사이즈 공차는 전면에 편차에 사용될 . 수있다. 또한 평판의 한쪽은 9이고, 다른 한쪽은 11일 수 있다. 만약 이러한 것이 허용되지 않는다면, 규제를 추가해야 한다.
'기하공차 해석' 카테고리의 다른 글
| 기하공차 해석하기 5 - 구형 피쳐 (3) | 2025.07.07 |
|---|---|
| 기하공차 해석하기 4 - 너비형 피쳐 (1) | 2025.06.30 |
| 기하공차 해석하기 3 - 4단계 해석 (0) | 2025.05.26 |
| 기하공차 해석하기 2 (2) | 2024.09.11 |
| 기하공차 해석하기 1 (4) | 2024.05.09 |

