데이텀 피쳐를 MMB 경계로 참조하면, TGC 크기는 고정된다. 이 크기는 상위 데이텀을 준수한 상태에서 사이즈 공차와 기하공차의 효과가 조합되어 정해진다. MMB를 물리적으로 시뮬레이션하려면 크기가 고정된 기계요소나 게이징 요소를 사용한다.
데이텀 피쳐의 MMB는 피쳐가 도면에 정의된 사이즈 공차와 기하공차를 만족한다면 피쳐가 절대 침범할 수 없는 경계를 나타낸다. 이는 VC경계와 비슷하지만, VC경계는 통제피쳐(기하공차의 대상이 되는 피쳐)에 적용되는 개념인 반면 MMB 경계는 참조피쳐(대상이 되는 피쳐를 위해 참조하는 피쳐)에 적용되는 개념이다.
TGC 크기를 찾으려면 데이텀 피쳐를 규제하는 기하공차를 분석해야 한다. 데이텀 피쳐를 여러 개의 기하공차로 통제한다면, 데이텀 피쳐의 MMB는 여러 개 있을 수 있다. MMB가 여러 개 있다면, 올바른 MMB는
(a) 내피쳐라면, 상위 데이텀을 준수한 상태에서 피쳐를 포함하는 크기가 가장 작은 MMB이다.
(b) 외피쳐라면, 상위 데이텀을 준수한 상태에서 피쳐를 포함하는 크기가 가장 큰 MMB이다.
다음 파트를 예로 하여 MMB를 계산하고, MMB를 선택하는 방법을 알아보자.

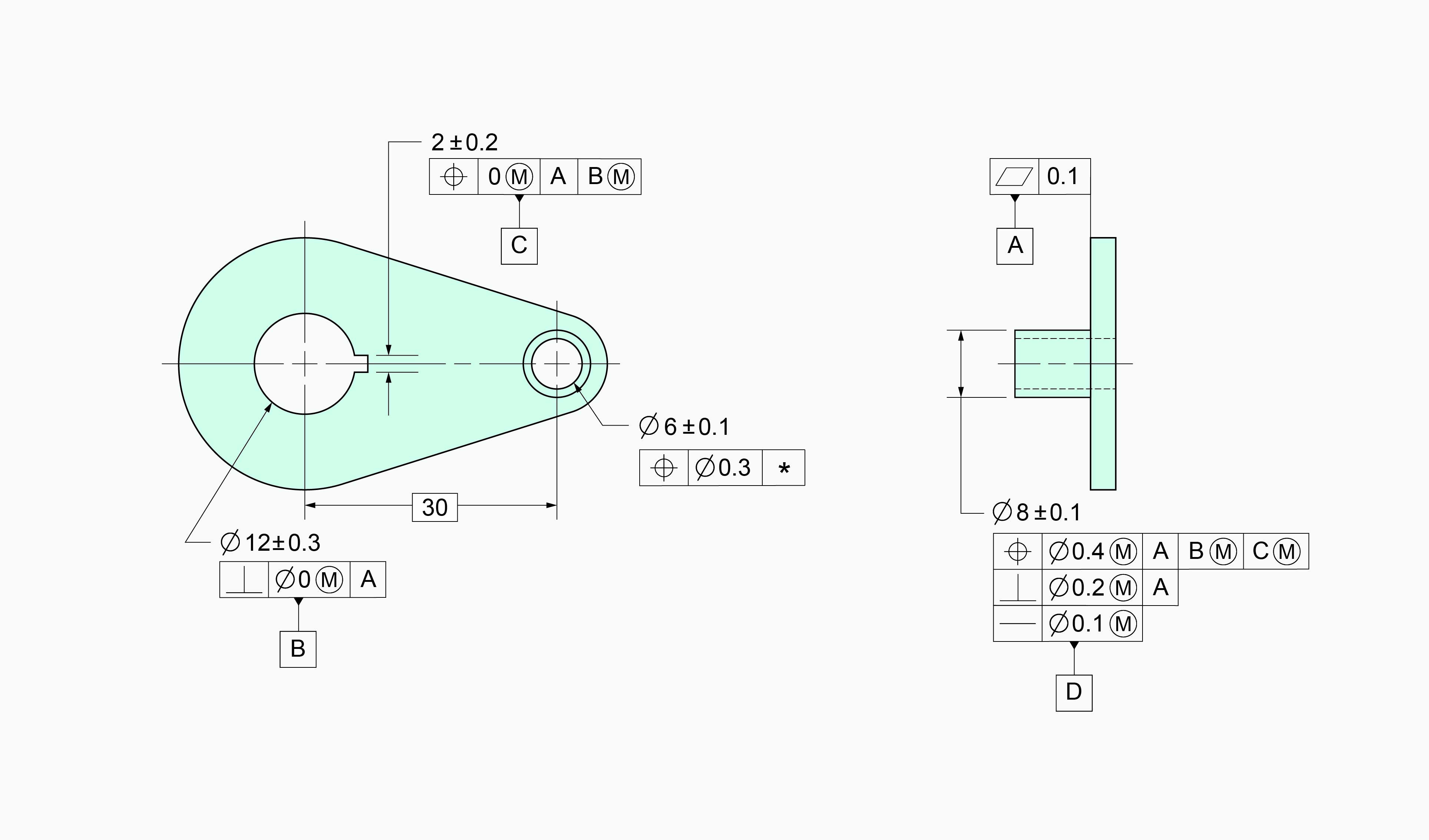
위의 파트를 다음과 도면과 같이 정의한다.

파트의 왼쪽에는 ∅12의 키홀과 너비가 2인 키홈이 있고, 파트의 오른쪽에는 ∅8 보스에 ∅6 홀이 있다. 통제하려는 피쳐를 제외한 나머지 피쳐는 모두 기하공차로 규제되어 있다.

파트의 상면이 데이텀 피쳐 A, 키홀이 데이텀 피쳐 B, 키홈이 데이텀 피쳐 C이다. 이들을 참조하고 있는 왼쪽에 홀이 있는 보스가 데이텀 피쳐 D이다.
데이텀 피쳐 B의 MMB 계산

도면은 위와 같이 데이텀 피쳐 B의 MMB를 데이텀 피쳐로 참조하고 있다. 데이텀 피쳐 B의 MMB는 다음과 같이 계산할 수 있다.

데이텀 피쳐 B는 내피쳐이다. 내피쳐인 경우 MMB 크기는 MMC 크기에서 MMC에서 정의된 기하공차를 빼면 된다. 데이텀 피쳐 B는 홀 피쳐로, 내부가 빈 내피쳐이다. 재료가 최대가 되는 상태는 사이즈가 가장 작을 때이다. 데이텀 피쳐 B의 재료가 최대가 되는 MMC 상태는 사이즈가 11.7일 때이다. 데이텀 피쳐 B는 수직공차로 통제되고 있고, 수직공차는 MMC에서 0으로 정의되어 있다. 따라서 11.7에서 0을 뺀 값인 11.7이 데이텀 피쳐 B의 MMB 크기가 된다.
데이텀 피쳐 C의 MMB 계산

도면은 위와 같이 데이텀 피쳐 C의 MMB를 데이텀 피쳐로 참조하고 있다. 데이텀 피쳐 C의 MMB는 다음과 같이 계산할 수 있다.

데이텀 피쳐 C는 내피쳐이다. 내피쳐인 경우 MMB 크기는 MMC 크기에서 MMC에서 정의된 기하공차를 빼면 된다. 데이텀 피쳐 C는 홀 피쳐로, 내부가 빈 내피쳐이다. 재료가 최대가 되는 상태는 사이즈가 가장 작을 때이다. 데이텀 피쳐 C의 재료가 최대가 되는 MMC 상태는 사이즈가 1.8일 때이다. 데이텀 피쳐 C는 위치공차로 통제되고 있고, 위치공차는 MMC에서 0으로 정의되어 있다. 따라서 1.8에서 0을 뺀 값인 1.8이 데이텀 피쳐 C의 MMB 크기가 된다.
데이텀 피쳐 D의 MMB 계산

데이텀 피쳐 D는 외피쳐이다. 외피쳐인 경우 MMB 크기는 MMC 크기에서 MMC에서 정의된 기하공차를 더하면 된다. 데이텀 피쳐 D는 보스 피쳐로, 내부가 채워져있는 외피쳐이다. 재료가 최대가 되는 상태는 사이즈가클 때이다. 데이텀 피쳐 D의 재료가 최대가 되는 MMC 상태는 사이즈가 8.1일 때이다. 데이텀 피쳐 D는 기하공차 3개로 통제되고 있다. 따라서 데이텀 피쳐 D는 MMB가 3개 생긴다. 각각의 MMB를 계산해보자.
1) 진직공차에 의한 MMB

데이텀 피쳐 D는 진직공차로 통제되고 있고, 진직공차는 MMC에서 0.1로 정의되어 있다. 따라서 8.1에서 0.1을 더한 값인 8.2가 진직공차에 의한 데이텀 피쳐 D의 MMB 크기가 된다.
진직공차는 어떠한 데이텀 피쳐도 참조하고 있지 않다. 따라서 진직공차에 의해 생기는 데이텀 피쳐 D의 MMB는 어떠한 자유도도 제한되지 않는 상태의 MMB이다.
2) 수직공차에 의한 MMB

데이텀 피쳐 D는 수직공차로 통제되고 있고, 수직공차는 MMC에서 0.2로 정의되어 있다. 따라서 8.1에서 0.2을 더한 값인 8.3가 수직공차에 의한 데이텀 피쳐 D의 MMB 크기가 된다.
수직공차는 데이텀 피쳐 A를 참조하고 있다. 따라서 수직공차에 의해 생기는 데이텀 피쳐 D의 MMB는 데이텀 피쳐 A에 의한 자유도가 제한된다. 수직공차는 회전자유도만을 제한한다. 데이텀 피쳐 A는 2개의 회전자유도와 1개의 병진자유도를 제한할 수 있는 능력을 가지고 있다. 따라서 수직공차에 의한 데이텀 피쳐 D의 MMB는 2개의 회전자유도가 제한된 상태의 MMB이다.
3) 위치공차에 의한 MMB

데이텀 피쳐 D는 위치공차로 통제되고 있고, 위치공차는 MMC에서 0.4로 정의되어 있다. 따라서 8.1에서 0.4을 더한 값인 8.5가 위치공차에 의한 데이텀 피쳐 D의 MMB 크기가 된다.
위치공차는 데이텀 피쳐 A, 데이텀 피쳐 B, 데이텀 피쳐 C를 참조하고 있다. 따라서 위치공차에 의해 생기는 데이텀 피쳐 D의 MMB는 데이텀 피쳐 A, 데이텀 피쳐 B, 데이텀 피쳐 C에 의한 자유도가 제한된다. 위치공차는 회전자유도와 병진자유도를 모두 제한한다. 결과적으로 위치공차에 의한 데이텀 피쳐 D의 MMB는 6자유도가 모두 제한된 상태의 MMB이다.
적절한 MMB 선택

보스 안쪽의 홀을 통제할 때 데이텀 피쳐 D를 참조하여 통제할 수 있다. 앞서 살펴본 것과 같이 데이텀 피쳐 D는 3개의 MMB를 생성한다. 따라서 3개의 MMB 중에서 하나를 선택해야 한다. 어떤 MMB를 선택해야 할까? 이는 상위 데이텀에 의해 결정된다. 상위 데이텀을 위반하지 않는 MMB를 선택해야 한다. 이를 올바르게 선택하는 방법을 알아보자.
1) 데이텀 피쳐 D를 1차 데이텀으로 참조한 경우

데이텀 피쳐 D를 1차 데이텀 피쳐로 참조했다면, 데이텀 피쳐 D는 상위 데이텀에 의해 제한되지 않는다. 따라서 데이텀 피쳐 D의 MMB 중에서 어떤 자유도도 제한되지 않은 MMB를 참조하면 된다. 어떠한 자유도도 제한되지 않은 MMB는 진직공차에 의해 생성된 MMB이다.
따라서 데이텀 피쳐 D를 1차 데이텀 피쳐로 참조하면, 데이텀 피쳐 D의 MMB 중에서 진직공차에 의해 생성된 MMB를 참조하면 된다. 결과적으로 그림의 경우에는 크기가 8.2이고 어떠한 자유도도 제한되지 않은 MMB를 참조하게 된다.
2) 데이텀 피쳐 D를 2차 데이텀으로 참조한 경우

데이텀 피쳐 D를 2차 데이텀 피쳐로 참조했다면, 데이텀 피쳐 D는 상위 데이텀인 데이텀 피쳐 A에 대해 제한된다. 따라서 데이텀 피쳐 D의 MMB 중에서 데이텀 피쳐 A에 의해 자유도가 제한된 MMB를 참조하면 된다. 데이텀 피쳐 A에 의해 자유도가 제한된 MMB는 수직공차에 의해 생성된 MMB이다.
따라서 데이텀 피쳐 D를 2차 데이텀 피쳐로 참조하면, 데이텀 피쳐 D의 MMB 중에서 수직공차에 의해 생성된 MMB를 참조하면 된다. 결과적으로 그림의 경우에는 크기가 8.3이고 회전자유도 2개가 제한된 MMB를 참조하게 된다.
3) 데이텀 피쳐 D를 3차 데이텀으로 참조한 경우

데이텀 피쳐 D를 3차 데이텀 피쳐로 참조했다면, 데이텀 피쳐 D는 상위 데이텀인 데이텀 피쳐 A, 데이텀 피쳐 B에 대해 제한된다. 따라서 데이텀 피쳐 D의 MMB 중에서 데이텀 피쳐 A, 데이텀 피쳐 B에 의해 자유도가 제한된 MMB를 참조하면 된다. 데이텀 피쳐 A, 데이텀 피쳐 B에 의해 자유도가 제한된 MMB는 위치공차에 의해 생성된 MMB이다.
위치공차에 의해 생성된 MMB는 데이텀 피쳐 C에 대해서도 제한되어 있다. 참조하는 MMB가 데이텀 피쳐 C에 대해서까지 제한될 필요는 없지만 선택할 수 있는 MMB는 3개 중 하나 이므로 상위 데이텀인 데이텀 피쳐 A, 데이텀 피쳐 B를 위반하지 않는 MMB를 선택해야 하므로 나머지 3개는 아니기 때문에 위치공차에 의한 MMB를 선택할 수 밖에 없다.
따라서 데이텀 피쳐 D를 3차 데이텀 피쳐로 참조하면, 데이텀 피쳐 D의 MMB 중에서 위치공차에 의해 생성된 MMB를 참조하면 된다. 따라서 크기가 8.5이고 6자유도가 모두 제한된 MMB를 참조하게 된다.
데이텀 피쳐의 MMB를 참조하면, TGC의 크기가 고정된다. 여러 개의 MMB가 생성되는 경우 어떤 크기의 MMB를 선택해야 하는지는 참조하는 경계의 자유도가 어디까지 제한되는지를 확인하고 이에 맞는 MMB를 선택하면 된다.
'기하공차 중급' 카테고리의 다른 글
| 데이텀 피쳐의 재료경계조건을 다르게 참조할 때의 효과 (1) | 2024.11.04 |
|---|---|
| 데이텀 피쳐의 순서를 다르게 참조할 때의 효과 (6) | 2024.10.18 |
| 베이직 치수로 정의 했을 때와 일반 치수로 정의 했을 때의 차이 (21) | 2024.05.27 |
| DRF가 같을 때와 다를 때 (3) | 2024.05.08 |
| MMC(또는 LMC)에서 정의된 기하공차는 서피스 관점에서 평가한다. (2) | 2024.04.02 |
