초급 #15 도면은 기능요구사항을 설명할 수 있어야 한다.
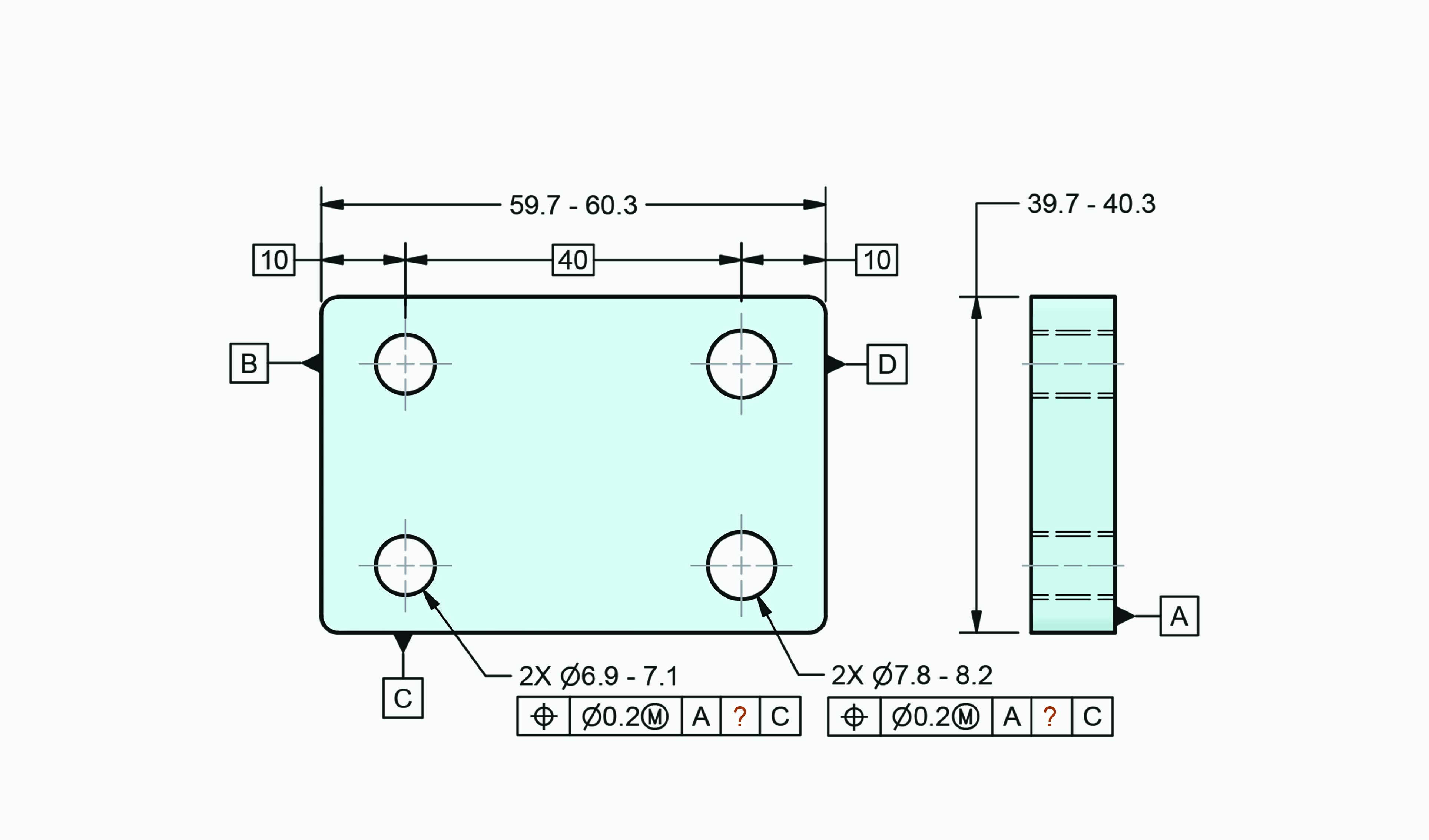
크기가 다른 홀 두 세트가 있는 부품이 있다. 홀의 위치를 통제하기 위해 DRF를 설정해야 한다. DRF 설정은 기본적으로 홀의 기능이 무엇이냐에 따라 정해지지만, 경우에 따라서는 검사나 제작상 이유로 다르게 설정할 수도 있다. 기능요구사항에 따라 DRF를 설정해야 할까? 공정 최적화를 위한 DRF를 설정해야 할까? 이를 이해하기 위해 다음의 경우를 살펴보자.

먼저 조립을 보장하는 것이 우선이기 때문에 위치공차를 MMC에서 정의했지만, 벽두께도 관리해야 한다면?

DRF는 다음과 같이 두 가지 방법으로 설정할 수 있다.

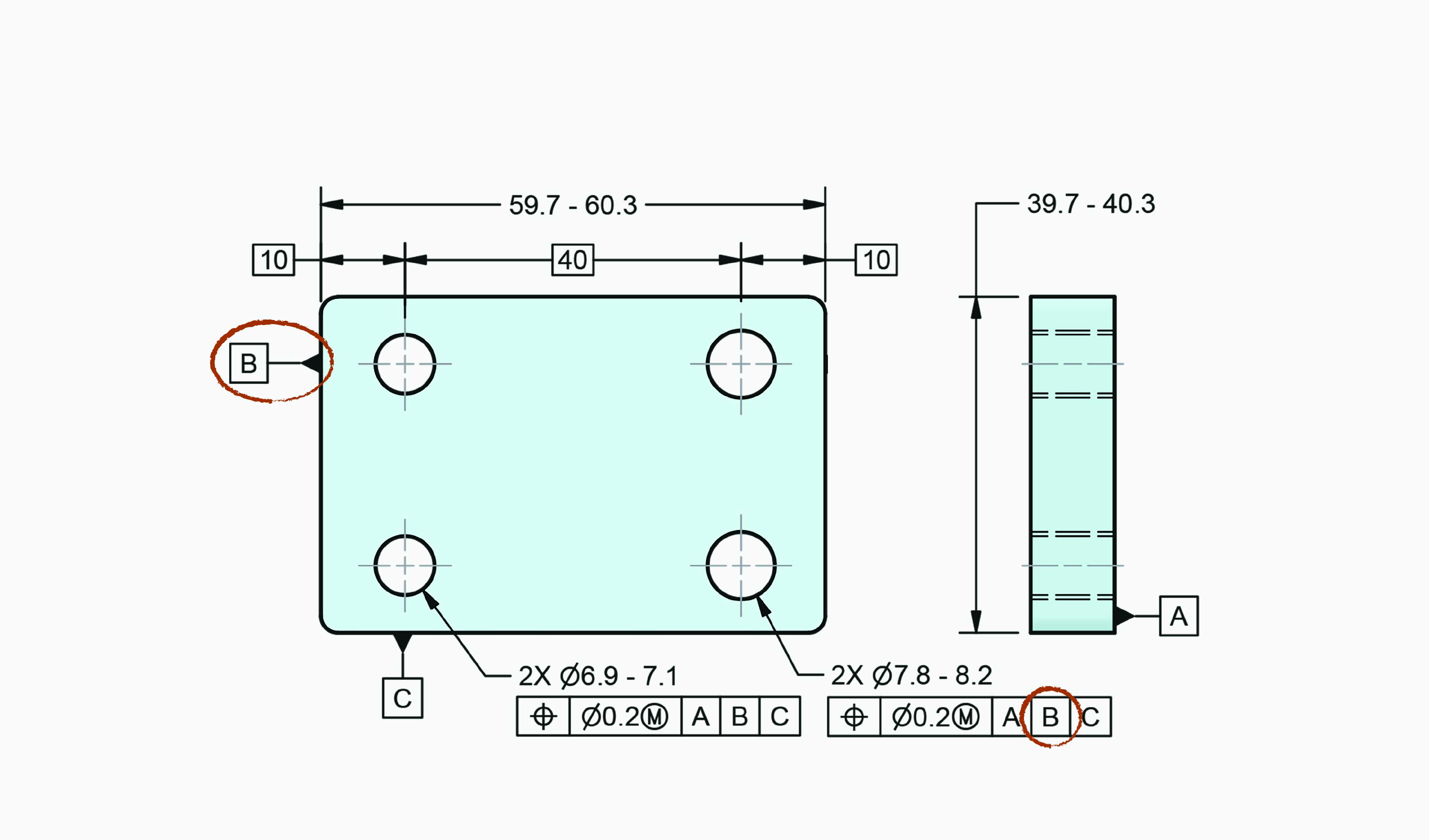
왼쪽 홀 2개와 오른쪽 홀 2개를 통제하기 위해 첫번째 그림처럼 DRF를 다르게 설정할 수도 있고, 두번째 그림처럼 동일하게 설정할 수도 있다. DRF가 다를 때와 같을 때 벽두께가 어떻게 달라지는지 살펴보자.
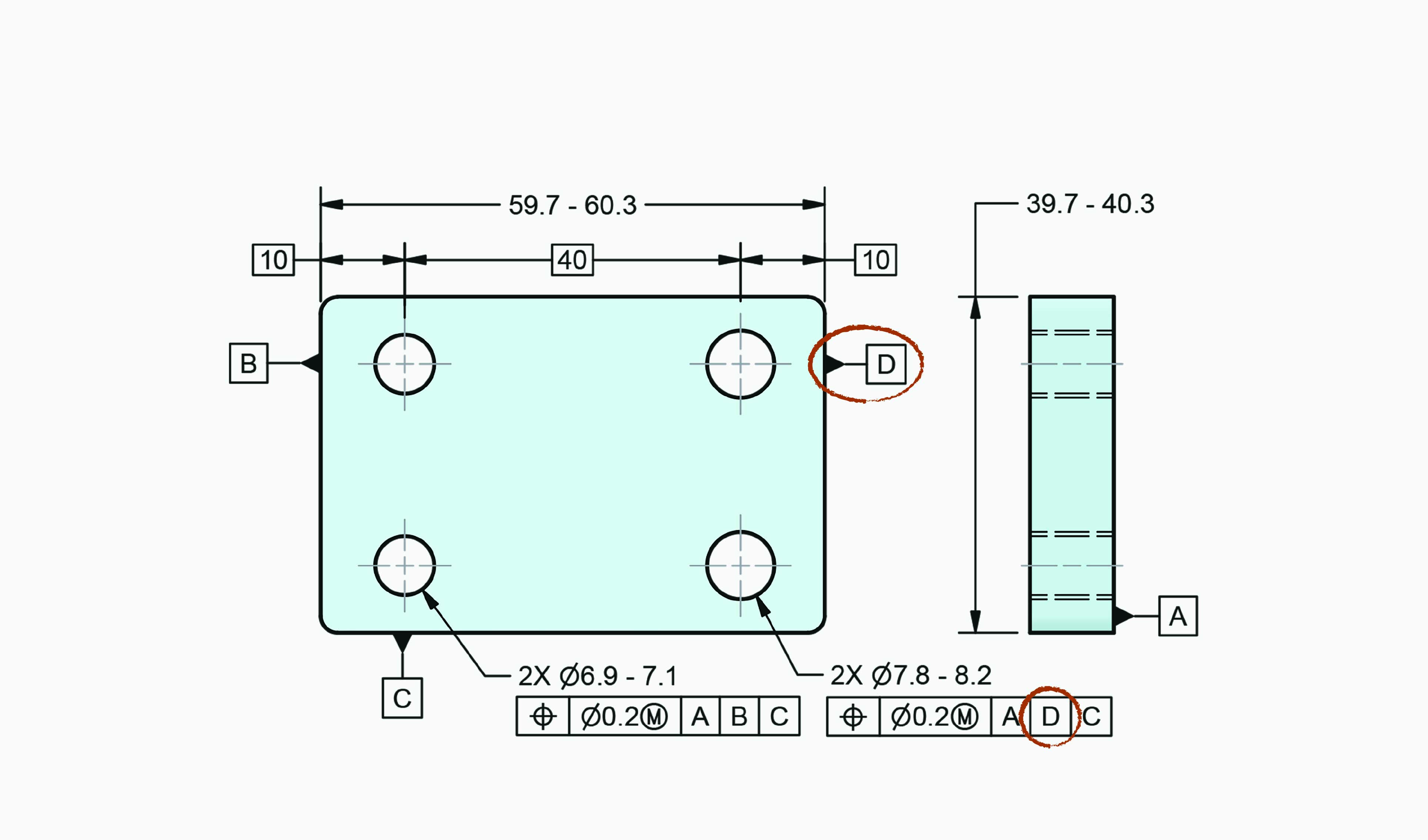
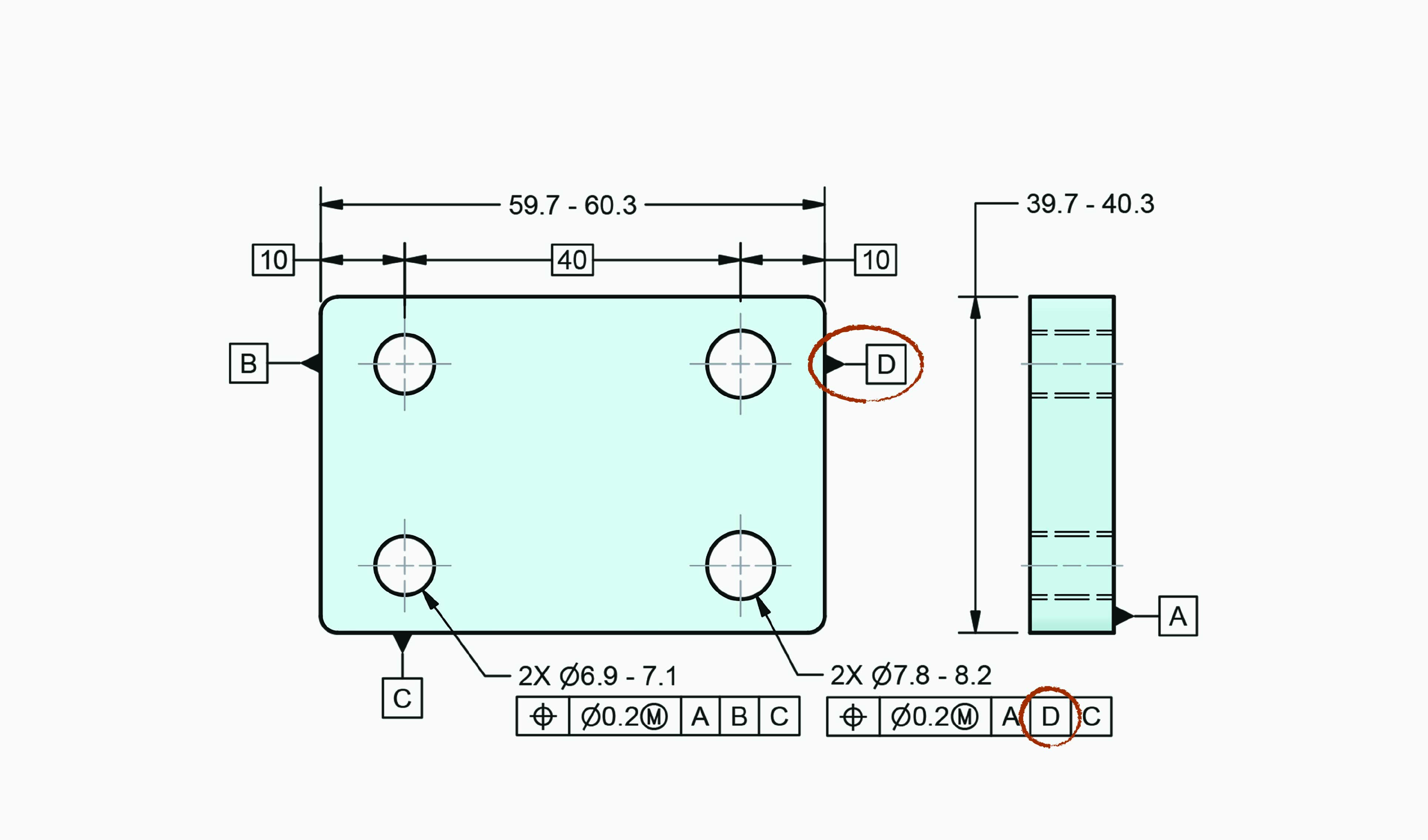
DRF가 다를 때
먼저 DRF를 다르게 설정했을 때 벽두께를 계산해보자.

왼쪽 홀 2개의 2차 데이텀 피쳐는 데이텀 피쳐 B이고, 오른쪽 홀 2개의 2차 데이텀 피쳐는 데이텀 피쳐 D로 데이텀 피쳐를 다르게 참조하여 DRF가 다르게 설정되었다. 이는 보통 왼쪽 홀과 오른쪽 홀이 각각 다른 피쳐와 대응하여 조립될 때 이와 같은 DRF를 설정한다.
먼저 최대 벽두께가 얼마인지 계산해보자.

벽두께가 최대가 되는 때는 홀 안에 게이지핀이 있으면서 홀이 벽에서 가장 멀리 있을 때이다.
게이지핀 위치는 도면에 베이직 값으로 정의된다. 도면에 따라 게이지핀은 데이텀 D에서 10만큼 떨어진 곳에 위치한다. 게이지핀 사이즈는 MMC 사이즈에서 기하공차 값을 빼서 구한다. 홀은 가장 작은 사이즈가 MMC 사이즈이다. 따라서 홀의 최소 사이즈 ∅7.8에서 위치공차 ∅0.2를 빼면 ∅7.6로 게이지핀 사이즈가 구해진다. 게이지핀은 ∅7.6로 데이텀 D에서 10만큼 떨어진 곳에 위치한다.
벽두께가 최대가 되는 때는 홀이 벽에서 가장 멀리 있을 때이다. 홀 안에는 게이지핀이 있어야 한다. 게이지핀 위치는 고정되어 있다. 홀은 게이지핀을 통과할 수 없기 때문에 홀 오른쪽과 게이지핀 오른쪽이 접촉할 때 홀이 벽에서 가장 멀리 있게 된다. 게이지핀 위치는 고정되어 있기 때문에 이 접촉점 위치도 고정된다. 홀이 크든 작든 접촉점 위치는 달라지지 않는다. 이제 최대 벽두께를 구할 수 있다. 게이지핀 위치 10에서 게이지핀 사이즈의 반 3.8을 빼면 6.2로 최대 벽두께가 구해진다.
다음으로 최소 벽두께가 얼마인지 계산해보자.

벽두께가 최소가 되는 때는 홀 안에 게이지핀이 있으면서 벽쪽으로 가장 가깝게 있을 때이다.
게이지핀 위치는 도면에 베이직 값으로 정의된다. 도면에 따라 게이지핀은 데이텀 D에서 10만큼 떨어진 곳에 위치한다. 게이지핀 사이즈는 MMC 사이즈에서 기하공차 값을 빼서 구한다. 홀은 가장 작은 사이즈가 MMC 사이즈이다. 따라서 홀의 최소 사이즈 ∅7.8에서 위치공차 ∅0.2를 빼면 ∅7.6로 게이지핀 사이즈가 구해진다. 게이지핀은 ∅7.6로 데이텀 D에서 10만큼 떨어진 곳에 위치한다.
벽두께가 최소가 되는 때는 홀이 벽쪽으로 가장 가깝게 있을 때이다. 홀 안에는 게이지핀이 있어야 한다. 게이지핀 위치는 고정되어 있다. 홀은 게이지핀을 통과할 수 없기 때문에 홀 왼쪽과 게이지핀 왼쪽이 접촉할 때 홀이 벽에서 가장 가깝게 있게 된다. 게이지핀 위치는 고정되어 있기 때문에 이 접촉점 위치도 고정된다. 게이지 핀 위치 10에 게이지핀 사이즈의 반 3.8을 더하면 13.8로 데이텀 D를 기준으로 한 접촉점 위치가 구해진다.
이 접촉점에서 홀과 게이지핀이 접촉한 상태에서 홀이 가장 클 때 벽두께는 최소가 된다. 이제 최소 벽두께를 구할 수 있다. 접촉점 위치 13.8에서 홀의 최대 사이즈 8.2를 빼면, 5.6으로 최소 벽두께가 구해진다.

정리하면 DRF를 다르게 설정한 경우 벽두께는 5.6-6.2 사이에 있게 된다. 이 범위가 기능상 허용되는 범위라고 하자. 이제 DRF를 동일하게 설정한 경우 최대 벽두께와 최소 벽두께가 어떻게 달라지는지 살펴보자. 기능상 허용되는 범위안에 벽두께가 있을까?
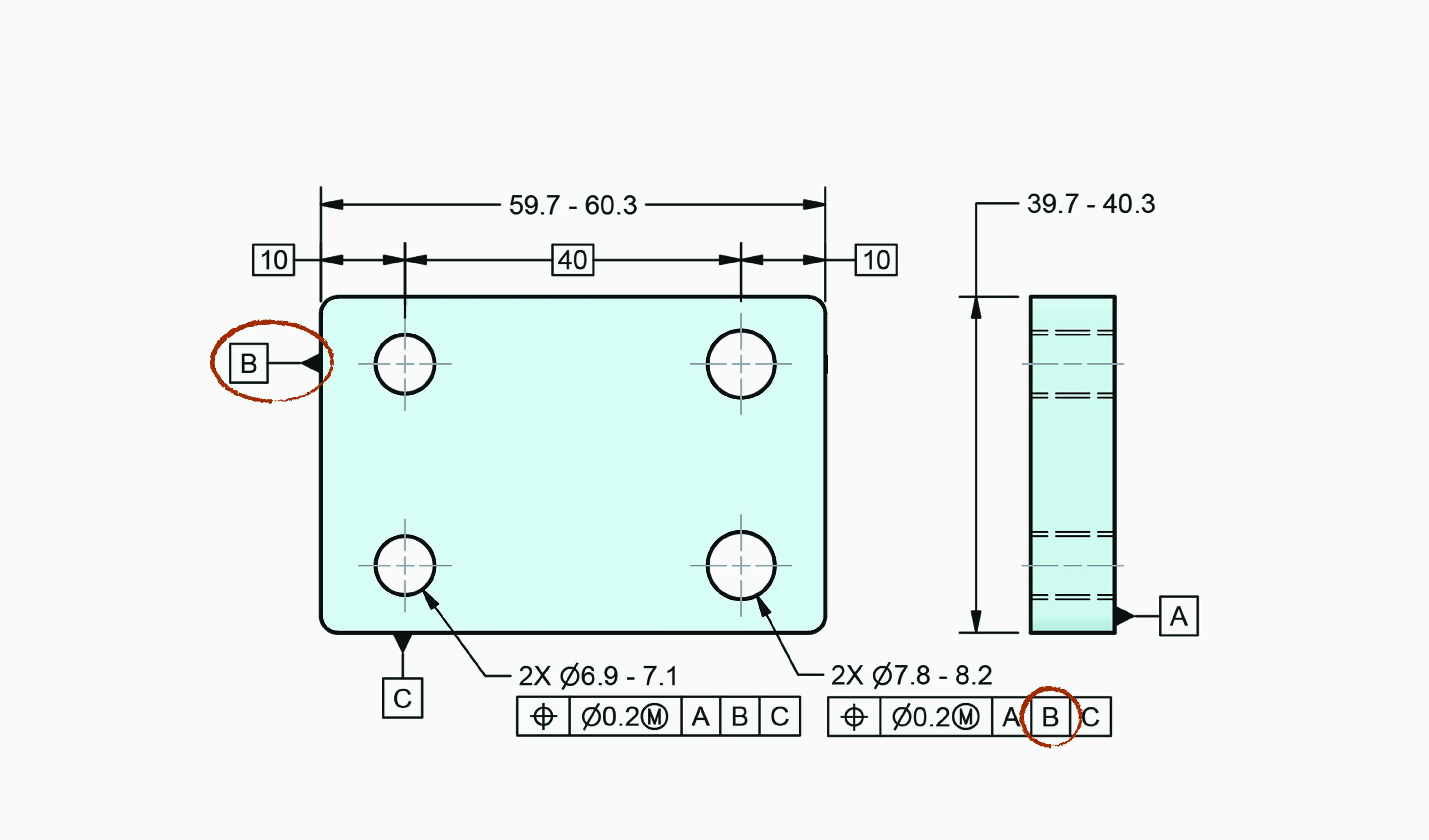
DRF가 같을 때
다음으로 DRF를 동일하게 설정했을 때 벽두께를 계산해보자.

왼쪽의 홀 2개와 오른쪽 홀 2개의 2차 데이텀 피쳐는 데이텀 피쳐 B로 데이텀 피쳐를 동일하게 참조하여 DRF가 동일하게 설정되었다. 이는 보통 왼쪽 홀과 오른쪽 홀이 같은 부품에 조립되는 것을 의미한다.
먼저 최대 벽두께가 얼마인지 계산해보자.

벽두께가 최대가 되는 때는 홀 안에 게이지핀이 있으면서 벽에서 가장 멀리 있을 때이다.
게이지핀 위치는 도면에 베이직 값으로 정의된다. 도면에 따라 게이지핀은 데이텀 B에서 50만큼 떨어진 곳에 위치한다. 게이지핀 사이즈는 MMC 사이즈에서 기하공차 값을 빼서 구한다. 홀은 가장 작은 사이즈가 MMC 사이즈이다. 따라서 홀의 최소 사이즈 ∅7.8에서 위치공차 ∅0.2를 빼면 ∅7.6로 게이지핀 사이즈가 구해진다. 게이지핀은 ∅7.6로 데이텀 B에서 50만큼 떨어진 곳에 위치한다.
벽두께가 최대가 되는 때는 홀이 벽에서 가장 멀리 있을 때이다. 홀 안에는 게이지핀이 있어야 한다. 게이지핀 위치는 고정되어 있다. 홀은 게이지핀을 통과할 수 없기 때문에 홀 오른쪽과 게이지핀 오른쪽이 접촉할 때 홀이 벽에서 가장 멀리 있게 된다. 게이지핀 위치는 고정되어 있기 때문에 이 접촉점 위치도 고정된다. 게이지핀 위치 50에 게이지핀 사이즈의 반 3.8을 더하면 53.8로 데이텀 B를 기준으로 한 접촉점 위치가 구해진다. 홀이 크든 작든 접촉점 위치는 달라지지 않는다.
앞서 살펴본 경우에는 벽두께를 계산해야 하는 벽을 기준으로 접촉점 위치를 구했기 때문에 벽두께를 바로 계산할 수 있었다. 하지만 지금은 벽두께를 계산해야 하는 벽이 아닌 왼쪽 벽을 데이텀 피쳐 B로 참조하고 있다. 따라서 오른쪽 벽의 위치를 알아야 벽두께를 계산할 수 있다. 부품은 너비가 59.7-60.3으로 정의되어 있다. 최대 벽두께를 계산하려면 벽두께를 계산해야 하는 벽이 가장 멀리 있는 경우를 검토한다. 부품의 너비가 최대일 때 가장 멀리 있게 된다. 이제 최대 벽두께를 구할 수 있다. 부품의 최대 너비인 60.3에서 접촉점 위치 53.8을 빼면 6.5로 최대 벽두께가 구해진다.
다음으로 최소 벽두께가 얼마인지 계산해보자.

벽두께가 최소가 되는 때는 홀 안에 게이지핀이 있으면서 벽쪽으로 가장 가깝게 있을 때이다.
게이지핀 위치는 도면에 베이직 값으로 정의된다. 도면에 따라 게이지핀은 데이텀 B에서 50만큼 떨어진 곳에 위치한다. 게이지핀 사이즈는 MMC 사이즈에서 기하공차 값을 빼서 구한다. 홀은 가장 작은 사이즈가 MMC 사이즈이다. 따라서 홀의 최소 사이즈 ∅7.8에서 위치공차 ∅0.2를 빼면 ∅7.6로 게이지핀 사이즈가 구해진다. 게이지핀은 ∅7.6로 데이텀 B에서 50만큼 떨어진 곳에 위치한다.
벽두께가 최소가 되는 때는 홀이 벽쪽으로 가장 가깝게 있을 때이다. 홀 안에는 게이지핀이 있어야 한다. 게이지핀 위치는 고정되어 있다. 홀은 게이지핀을 통과할 수 없기 때문에 홀 왼쪽과 게이지핀 왼쪽이 접촉할 때 홀이 벽에서 가장 가깝게 있게 된다. 게이지핀 위치는 고정되어 있기 때문에 이 접촉점 위치도 고정된다. 게이지 핀 위치 50에 게이지핀 사이즈의 반 3.8을 빼면 46.2로 데이텀 B를 기준으로 한 접촉점 위치가 구해진다.
이 접촉점에서 홀과 게이지핀이 접촉한 상태에서 홀이 가장 클 때 벽두께는 최소가 된다. 접촉점 위치 46.2에서 홀의 최대 사이즈 8.2를 더하면, 54.4로 접촉대응점의 위치가 구해진다.
벽두께를 계산해야 하는 벽이 아닌 왼쪽 벽을 데이텀 피쳐 B로 참조하고 있다. 따라서 오른쪽 벽의 위치를 알아야 벽두께를 계산할 수 있다. 부품은 너비가 59.7-60.3으로 정의되어 있다. 최소 벽두께를 계산하려면 벽두께를 계산해야 하는 벽이 가장 가까이 있는 경우를 검토한다. 부품의 너비가 최소일 때 가장 가까이 있게 된다. 이제 최소 벽두께를 구할 수 있다. 부품의 최소 너비인 59.7에서 접촉대응점 위치 54.4를 빼면 5.3으로 최소 벽두께가 구해진다.
앞서 살펴본 DRF가 다를 경우에는 파트의 오른쪽 모서리에서 직접 벽두께를 계산했지만, DRF가 같은 경우에는 최대 벽두께를 계산하기 위해서는 파트의 오른쪽 모서리 위치를 알아야 한다. 파트의 너비는 59.7-60.3으로 정의되어 있다. 따라서 파트의 너비가 가장 크면서 홀이 벽에서 가장 멀리 있을 때 벽두께가 최대가 된다. 결과적으로 최대 너비 60.3에서 홀의 오른쪽 끝의 위치 53.8을 뺀 6.5가 최대 벽두께가 된다.
DRF가 다를 때와 DRF가 같을 때 다음과 같이 남는 최대 벽두께와 최소 벽두께가 달라진다.

DRF를 다르게 설정한 경우 벽두께는 5.6-6.2 사이에 있게 된다. DRF를 동일하게 설정한 경우 벽두께는 5.3-6.5 사이에 있게 된다. 5.6-6.2가 기능상 허용되는 범위라고 했을 때, DRF를 동일하게 설정하면 기능상 허용되는 범위를 벗어난다. 그렇다면, DRF를 다르게 설정해야 할까?
DRF를 다르게 설정한 경우는 기능중심설계라고 하고, DRF를 동일하게 설정한 경우는 제조 중심설계라고 한다.

각 홀을 가장 가까운 데이텀을 기준으로 통제하도록 DRF를 다르게 설정하면, 기능요구사항을 명확하게 정의하는 장점이 있지만, 홀가공을 두 번으로 나누어 해야 하고, 검사도 두 번에 나누어 해야 하는 단점이 있다. 이는 생산입장에서 바람직하지 않은 조건이다.
따라서 공정을 최적화하기 위해 DRF를 동일하게 설정하면, 홀을 한 번에 가공할 수 있다는 장점이 있지만 공차를 조정해야 한다. 범위를 벗어나고 있기 때문에 어떤 공차가 되었든 그 값을 줄여야 기능상 허용되는 범위를 맞출 수 있을 것이다. 따라서 공차가 엄격해지는 단점이 있게 된다. 또한 실제 기능요구사항이 도면에 제대로 반영되지 않게 된다.
도면은 기능요구사항을 제대로 충실히 반영하는 것이 좋다. 따라서 DRF 설정을 변경하는 대신에 공정을 조정하는 것이 낫다.
가장 먼저 선택할 방법은 도면의 요구대로 두 번에 나누어 가공한다. 이는 공차가 엄격해지는 것보다 유리할 수도 있다. 두 번째 작업을 위해 부품을 다시 머신에 세팅해야 하고, 가공시간이 추가되기 때문에 비용이 증가할 테지만 홀이 정확한 위치에 있을 확률이 높아지고, 공차도 여유로워져 불량이 줄고, 가공 난이도가 낮아진다. 두번째 작업으로 인한 비용이 공차가 엄격해져서 치뤄야 하는 비용보다 낮다면 두 번에 나누어 가공하는 것도 충분히 받아들 수 있다.
다른 방법으로는 도면의 데이텀은 그대로 두고, 실제 가공은 다른 면을 기준으로 하여 홀을 한 번에 가공하고, 검사는 도면대로 하는 것이다. 이는 완전히 바람직한 방법은 아니다. 가공 기준과 측정 기준이 달라서 복잡하고, 가공 오차가 누적되어 최종 치수에 영향을 줄 수 있으며, 문제가 발생했을 때 원인이 무엇인지 파악하기가 어려워지기 때문이다. 이 방법은 두 번에 나누어 가공하는 비용이 너무 클 때, 기술적으로 두 번 작업이 불가능할 때와 같이 불가피한 경우에 사용한다.
정리하면, 도면은 부품이 어떻게 기능하는지 충실하게 보여줘야 주는 것이 좋고, 생산 편의를 위해 도면이 보여줘야 할 것을 보여주지 않으면 안된다는 것이다.

