기하공차 해석하기 2
원하는 기능을 위해 피쳐를 적절하게 규제하는 도면을 "쓰는" 능력은 연습이 많이 필요하지만, 도면을 "읽는" 기본적인 능력은 약간의 연습을 통해 얻을 수 있다. 도면이 복잡해보이더라도 하나씩 차례로 각 표기의 의미를 파악하고, 각 표기들간의 관계를 이해하면 결국 전체 도면을 이해할 수 있게 될 것이다.

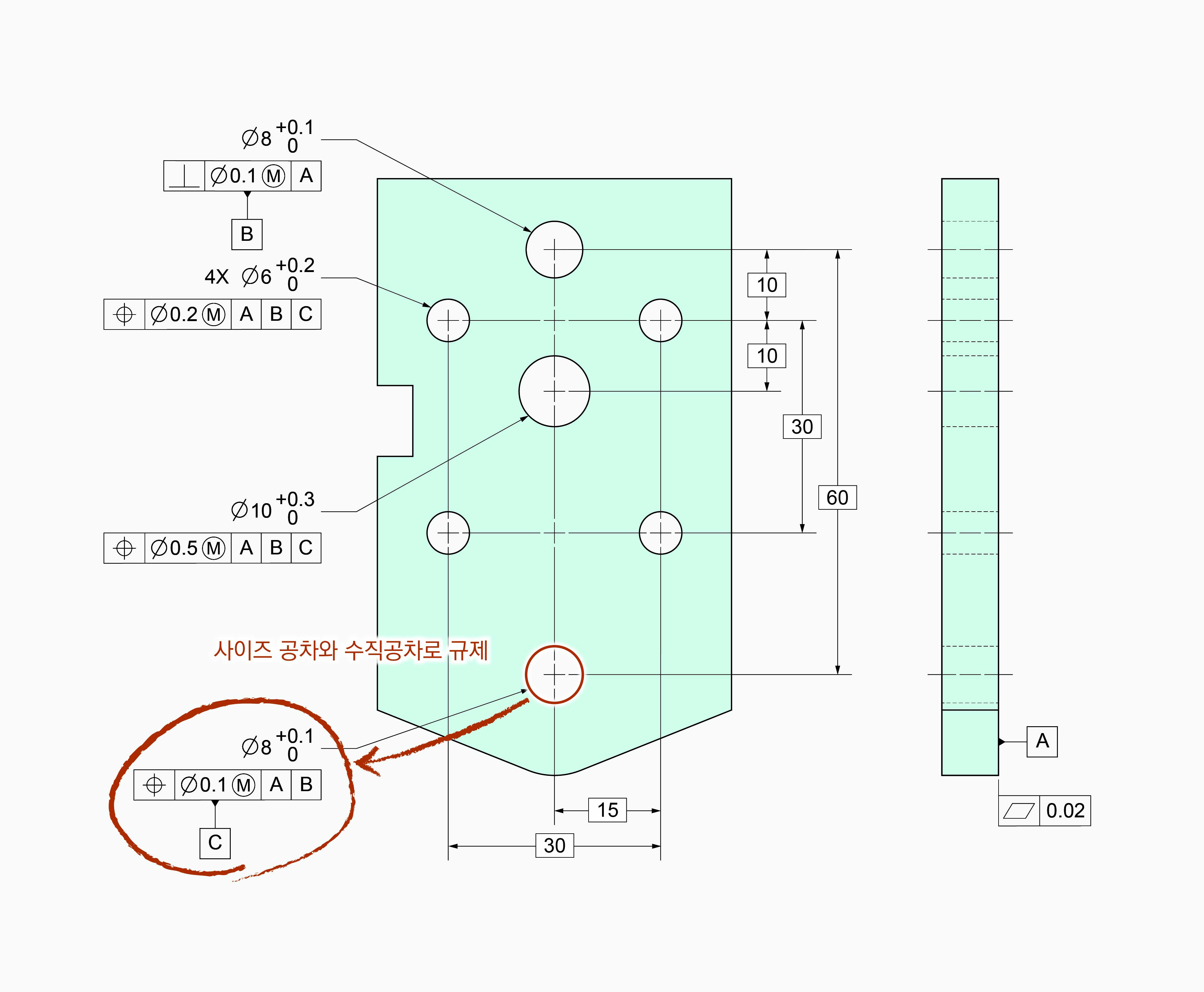
① 파트의 뒷면 - 데이텀 피쳐 A

파트의 뒷면을 데이텀 피쳐 A로 선정하였다. 데이텀 피쳐 A는 다른 피쳐가 1차 데이텀 피쳐로 참조하고 있다. 이 파트는 다른 파트와 뒷면이 가장 먼저 닿으면서 조립될 것이고, 따라서 뒷면이 기능적으로 가장 중요할 것이다. 데이텀 피쳐 A는 평면서피스이다. 평면서피스는 데이텀 평면을 도출한다. 데이텀 피쳐 A를 참조한 피쳐는 도출된 데이텀 평면에 대해 기하학적 속성이 정의되고 통제된다. 데이텀 피쳐 A를 1차 데이텀 피쳐로 참조한 FCF의 DRF는 데이텀 평면 A가 첫번째 평면이 된다.

표시한 피쳐들은 데이텀 피쳐 A를 1차 데이텀 피쳐로 참조하고 있다. 이들은 데이텀 평면 A에 대해 기하학적 속성이 정의된다. 데이텀 평면 A에 대한 이들은 기하학적으로 수직인 상태이다. 도면에 수직 표기는 생략할 수 있지만(ASME 4.1(k)에 의함) 이들의 기하학적 상태가 수직임은 알아야 한다.

결과적으로 피쳐들은 데이텀 평면 A에 대해 자세가 수직으로 정의되고 이에 대한 요구사항이 생긴다.

데이텀 피쳐 A만 참조하고 자세공차로 규제된 위쪽에 위치한 ∅8 홀은 데이텀 평면 A에 대해 수직이면 되고, 위치는 어디에 있든 상관이 없다.

데이텀 피쳐 A를 참조하고 있는 피쳐들은 데이텀 피쳐 A의 품질에 영향을 받는다. 따라서 데이텀 피쳐 A를 통제할 필요가 있다. 이를 위해 데이텀 피쳐 A를 평면공차 0.02로 규제하고 있다. 평면공차는 0.02만큼 떨어진 평행평면 공차영역을 생성한다. 실제 서피스의 모든 점은 정의된 공차영역 안에 있어야 한다.
② 위쪽의 ∅8 홀 - 데이텀 피쳐 B

위쪽에 있는 크기가 ∅8인 홀을 데이텀 피쳐 B로 선정하였다. 해당 홀이 데이텀 피쳐로 선정되었다는 것은 기능적으로 중요한 피쳐임을 나타낸다. 아마도 1차 데이텀 피쳐인 피쳐 A 평면에서 다른 파트와 접한 후 피쳐 B 홀에서 볼트와 같은 부품으로 조립될 것이다. 이렇듯 기능을 구체적으로 기술하지 않아도 도면 표기만으로 해당 홀이 기능적으로 중요한지 아닌지 어떤 기능을 수행할 것인지 표현할 수 있다.

데이텀 피쳐 B는 원통서피스이다. 원통서피스는 데이텀 축을 도출한다. 데이텀 피쳐 B를 참조한 피쳐는 도출된 데이텀 축에 대해 기하학적 속성이 정의되고 통제된다. 피쳐 일부가 데이텀 피쳐 B를 2차로 참조하고 있다. 데이텀 피쳐 B를 2차로 참조하는 FCF의 DRF의 두번째 평면과 세번째 평면은 데이텀 축 B에서 교차한다. 따라서 DRF의 두번째 평면과 세번째 평면은 데이텀 피쳐 B에서 도출된 데이텀 축과 관계가 맺어진다.

표시한 피쳐들은 데이텀 피쳐 B를 2차 데이텀 피쳐로 참조하고 있다. 이들은 데이텀 축 B에 대해 기하학적 속성이 정의된다.

데이텀 축 B에 대해 이들은 특정 거리만큼 떨어져 있다. 이 도면에서는 피쳐들의 수직거리가 정의된다.

하지만 데이텀 축 B는 회전자유도가 하나 남아 있다. 따라서 데이텀 피쳐 B를 참조한 피쳐들은 수직거리만 통제되고, 이들 사이의 수평거리는 아직 통제되지 않는다. 결과적으로 피쳐들은 데이텀 축 B에 대해 위치가 정의되고 이에 대한 요구사항이 생긴다.

데이텀 피쳐 A와 B만 참조하고 위치공차로 규제된 아래쪽에 위치한 ∅8홀은 데이텀 평면 A에 수직하고 데이텀 축 B에서 60만큼 떨어진 위치에 있기만 하면 된다. 데이텀 피쳐 A와 B만 참조한 경우에는 회전자유도가 하나 남아 있기 때문에 그림에서 ①, ②, ③ 중 어느 위치에 있어도 된다.

데이텀 피쳐 B를 참조한 피쳐들은 데이텀 피쳐 B의 품질에 영향을 받는다. 따라서 데이텀 피쳐 B를 통제할 필요가 있다. 이를 위해 데이텀 피쳐 B를 수직공차로 규제하고 있다. 홀은 사이즈 피쳐다. 따라서 기하학적 속성 네 개가 모두 통제되어야 한다. 이를 차례로 살펴보자.
- 사이즈 : 사이즈 공차로 사이즈가 통제되고 있다. 모든 단면에서 사이즈가 Ø8.0와 Ø8.1 사이에 있어야 한다.
- 모양 : 홀의 모양은 Rule #1에 의해 통제된다. 따라서 MMC 사이즈인 Ø8.0로 만들어지는 완벽한 형상의 엔밸로프를 넘어서는 안된다.
- 위치 : 홀 자체가 데이텀 피쳐이기 때문에, 홀의 중심축이 DRF의 축이 된다. 다르게 말하면, 홀은 0에 위치한다.
- 자세 : 홀의 자세는 베이직 각도 90도로 정의되어 있고, 자세는 수직공차로 통제되고 있다.
도면의 수직공차는 데이텀 평면 A에 완벽하게 수직하면서 크기가 Ø0.1인 원통형 공차영역을 생성한다. 피쳐의 중심축은 공차영역 안에 있어야 한다. 공차영역 안에서라면 실제 피쳐의 중심축은 기울어져 있어도 된다. 이는 일반적인 수직공차에 대한 설명이다.

도면의 수직공차는 MMC에서 정의되었기 때문에 중심축이 아닌 서피스 결과가 우선한다. 따라서 중심축을 평가할 필요없이 서피스만 평가하면 되고, 실제 서피스는 데이텀 평면 A에 완벽하게 수직한 상태에 크기가 Ø7.9인 VC경계를 침범하지 않기만 하면 된다.
② 아래 있는 ∅8 홀 - 데이텀 피쳐 C

아랫쪽에 있는 크기가 ∅8인 홀을 데이텀 피쳐 C로 선정하였다.

데이텀 피쳐 C는 원통서피스이다. 원통서피스는 데이텀 축을 도출한다. 데이텀 피쳐 C를 참조한 피쳐는 도출된 데이텀 축에 대해 기하학적 속서잉 정의되고 통제된다. 피쳐 일부가 데이텀 피쳐 C를 3차로 참조하고 있다. 데이텀 피쳐 C를 3차로 참조하는 FCF의 DRF의 두번째 평면과 세번째 평면은 데이텀 축 C에 의해 남아 있던 회전자유도 하나가 마저 제한된다.

표시한 피쳐들은 데이텀 피쳐 C를 3차 데이텀 피쳐로 참조하고 있다. 이들은 데이텀 축 C에 대해 기하학적 속성이 정의된다.

데이텀 축 C에 대해 이들은 특정 거리만큼 떨어져 있다. 이 도면에서는 피쳐들의 수평거리가 정의된다.

데이텀 피쳐 C를 참조한 피쳐들은 데이텀 피쳐 C의 품질에 영향을 받는다. 따라서 데이텀 피쳐 C를 통제할 필요가 있다. 이를 위해 데이텀 피쳐 C를 위치공차로 규제하고 있다. 홀은 사이즈 피쳐다. 따라서 기하학적 속성 네 개가 모두 통제되어야 한다. 이를 차례로 살펴보자.
- 사이즈 : 사이즈 공차로 사이즈가 통제되고 있다. 모든 단면에서 사이즈가 Ø8.0와 Ø8.1 사이에 있어야 한다.
- 모양 : 홀의 모양은 Rule #1에 의해 통제된다. 따라서 MMC 사이즈인 Ø8.0로 만들어지는 완벽한 형상의 엔밸로프를 넘어서는 안된다.
- 위치 : 홀 자체가 데이텀 피쳐이기 때문에, 홀의 중심축이 DRF의 평면에 있으면서 DRF의 원점에서 60만큼 떨어진 위치로 홀의 위치가 정해진다.
- 자세 : 홀의 자세는 베이직 각도 90도로 정의되어 있고, 위치공차에 의해 자세가 통제된다.
도면의 위치공차는 데이텀 평면 A에 완벽하게 수직하면서 데이텀 축 B에 대해 60만큼 떨어진 곳에 크기가 Ø0.1인 원통형 공차영역을 생성한다. 피쳐의 중심축은 공차영역 안에 있어야 한다. 공차영역 안에서라면 실제 피쳐의 중심축은 기울어져 있어도 된다. 이는 일반적인 위치공차에 대한 설명이다.

도면의 위치공차는 MMC에서 정의되었기 때문에 중심축이 아닌 서피스 결과가 우선한다. 따라서 중심축을 평가할 필요없이 서피스만 평가하면 되고, 실제 서피스는 데이텀 평면 A에 완벽하게 수직한 상태에 크기가 Ø7.9인 VC경계를 침범하지 않기만 하면 된다.
③ ∅10 홀

홀은 사이즈 피쳐다. 따라서 기하학적 속성 네 개가 모두 통제되어야 한다. 이를 차례로 살펴보자.
- 사이즈 : 사이즈 공차로 사이즈가 통제되고 있다. 모든 단면에서 사이즈가 Ø10.0와 Ø10.3 사이에 있어야 한다.
- 모양 : 홀의 모양은 Rule #1에 의해 통제된다. 따라서 MMC 사이즈인 Ø10.0로 만들어지는 완벽한 형상의 엔밸로프를 넘어서는 안된다.
- 위치 : 홀의 위치는 데이텀 B, 데이텀 C를 기준으로 베이직 치수로 정의되어 있고 위치공차로 통제되고 있다.
- 자세 : 홀의 자세는 베이직 각도 90도로 정의되어 있고, 위치공차에 의해 자세가 통제된다.
도면의 위치공차는 트루 포지션에 위치한 크기가 Ø0.5인 원통형 공차영역을 생성한다. 피쳐의 중심축은 공차영역 안에 있어야 한다. 공차영역 안에서라면 피쳐의 실제 중심축은 기울어져 있어도 된다. 이는 일반적인 위치공차에 대한 설명이다.

도면의 위치공차는 MMC에서 정의되었기 때문에 중심축이 아닌 서피스 결과가 우선한다. 따라서 중심축을 평가할 필요없이 서피스만 평가하면 되고, 실제 서피스는 트루 포지션에 위치한 크기가 Ø9.5인 VC경계를 침범하지 않기만 하면 된다.
④ ∅6 홀 4개

홀은 사이즈 피쳐다. 따라서 기하학적 속성 네 개가 모두 통제되어야 한다. 이를 차례로 살펴보자.
- 사이즈 : 사이즈 공차로 사이즈가 통제되고 있다. 모든 단면에서 사이즈가 Ø6.0와 Ø6.2 사이에 있어야 한다.
- 모양 : 홀의 모양은 Rule #1에 의해 통제된다. 따라서 MMC 사이즈인 Ø6.0로 만들어지는 완벽한 형상의 엔밸로프를 넘어서는 안된다.
- 위치 : 홀의 위치는 데이텀 B, 데이텀 C를 기준으로 베이직 치수로 정의되어 있고 위치공차로 통제되고 있다.
- 자세 : 홀의 자세는 베이직 각도 90도로 정의되어 있고, 위치공차에 의해 자세가 통제된다.
도면의 위치공차는 트루 포지션에 위치한 크기가 Ø0.2인 원통형 공차영역을 생성한다. 피쳐의 중심축은 공차영역 안에 있어야 한다. 공차영역 안에서라면 피쳐의 실제 중심축은 기울어져 있어도 된다. 이는 일반적인 위치공차에 대한 설명이다.

도면의 위치공차는 MMC에서 정의되었기 때문에 중심축이 아닌 서피스 결과가 우선한다. 따라서 중심축을 평가할 필요없이 서피스만 평가하면 되고, 실제 서피스는 트루 포지션에 위치한 크기가 Ø5.8인 VC경계를 침범하지 않기만 하면 된다.

